Mobirise Website Builder

COUNTER WEIGHT LIMIT SWITCHES
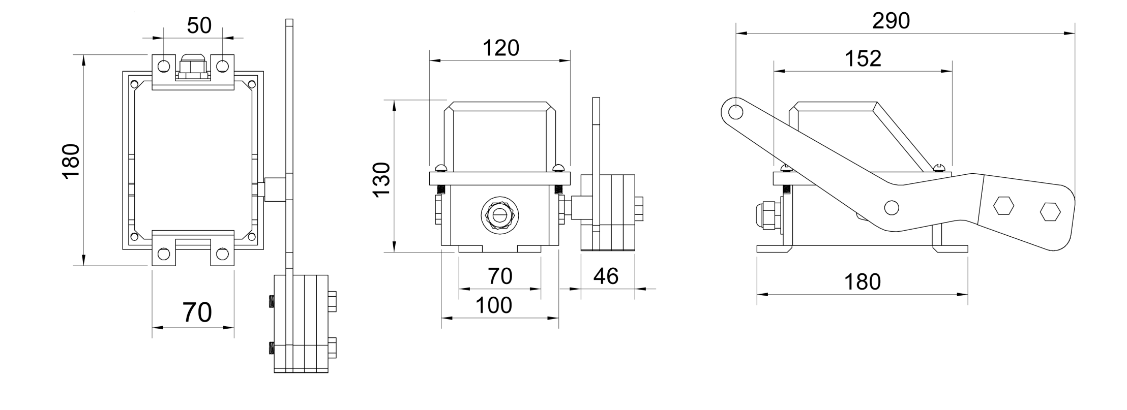
MODEL - CWLS

Counter Weight-Operated Limit Switches are employed to control the power circuit of reversing drives, limiting their rotation or movement to a predetermined position. When a weight is placed at one end, it causes the lever to rise. As the lever moves upward, the shaft connected to it rotates, turning the cams, which in turn open the contacts and disconnect the motor.

Applications:
These limit switches are primarily used in industrial settings to control machinery as part of a safety interlock system. The counterweight is utilized to lift the wire rope, preventing the mechanism from reaching an over-hoist position.

Mobirise Website Builder
Mobirise Website Builder
Mobirise Website Builder

ENQUIRY FORM

Address:

R - 638, T.T.C. Industrial Area, MIDC Industrial Area, Rabale, Navi Mumbai, Maharashtra 400701 

Feedback
  • Please send us your ideas, bug reports, suggestions! Any feedback would be appreciated.